一、序言:
感謝您使用香蕉视频免费看興快速門,快速門別名為快速香蕉视频在线免费看、高速門、高速香蕉视频在线免费看。
快速門類型分為:pvc透明快速門、堆積式pvc快速門、風淋室快速門、防爆型快速門、防脫軌快速門等。
請您仔細閱讀本產品手冊,再進行相關的操作,本手冊主要為用戶提供正確安全的使用和操作相關指導及說明,手冊中涉及到控製呂的參數設定、異常診斷排除、日常維護等
以下為特別注意的事項:
Ø 接線前,請確認輸入電源已切斷,禁止帶電拔插航空插頭。
Ø 請確認主回路電源電壓與控製器額定電壓是否一致,且確保接地端子可靠接地。
Ø 請勿直接觸摸輸出端子,切勿將輸出端子短接或與外殼連接。
Ø 切斷交流電源後,控製器液晶顯示熄滅前,表示控製器內部仍有高壓,請勿觸摸內部電路及電子元件。
Ø 在控製器內部的電子元件對靜電特別敏感,因此不可將異物置入電機驅動器內部或觸摸主電路板。
二.交貨檢查
    每台控製器在出廠前,均經嚴格的品管。開箱時,請認真確認:在運輸中是否有破壞或刮傷損壞現象,本機銘牌的額定值是否與您訂貨要求相一致。
三.標準規格
| 額定功率 | 750W | 
| 額定轉速 | 2000rpm | 
| 額定扭矩 | 3.5Nm | 
| 電機最高溫升 | <30℃ | 
| 工作溫度範圍 | -35℃-60℃ | 
| 力矩管理係統 | 力矩隨動係統 | 
| 限位模式 | 絕對值編碼器 | 
| 自鎖方式 | 電子機械刹車 | 
| 手動釋放 | 搖柄 | 
| 重量 | 10KG | 
1.電機規格參數:
2.電控規格參數
| 電源電壓 | AC220V±10% | 
| 速度控製 | 閉環速度控製 | 
| 位置控製 | 閉環位置控製 | 
| 保護功能 | 過流保護;過壓保護;欠壓保護;過熱保護;過載保護等 | 
| 使用場所 | 室內,不受陽光直射,無塵埃,腐蝕性氣體,水蒸氣等 | 
| 工作溫度範圍 | -35℃~60℃ | 
| 重量 | 7.5KG | 
四、產品操作
1.操作功能介紹
本公司所有生產的伺服控製係統,有如下操作方式可供選擇:控製櫃操作、點動升降、連續升降、緊急停機、單麵操作盒操作、延時操作、雷達操作及地磁操作。請根據接線定義表,外接所需設備。
係統內配有機器保護裝置——保險(絲)控製關斷開關或三相電源保護
2.按鈕功能介紹
a) “↑”門簾上升按鈕:點動上升或連續上升
b) “↓”門簾下降按鈕:點動下降或連續下降
c) “STOP”急停按鈕:緊急情況下,無論門簾上升或下降在何種位置,按下此按鈕,係統將立即停止運行即可保持該狀態。
d)液晶屏下四個按鍵,根據液晶屏內文字描述,定義為主菜單按鍵。
3. 行程控製器的安裝
行程控製器使用絕對值編碼器方案,將絕對值編碼器軸頭插入減速機內,通過螺絲將兩翼鎖緊在減速機上,再將航空插頭插入插座即可。
    
4.安裝注意事項:
電機、電控櫃必須進行接地保護;
安裝、調試和開閉門時,嚴禁門下站人後行走;
安裝電機組時,門軸需要插入減速機一半以上;
操作關閉門簾之前,應先檢查門簾下方是否有阻礙物,若有,必須清理幹淨;
自行拆開控製櫃內箱所造成的破壞,本公司不承擔免費維修責任。
本公司保留任何適當的技術、生產和商業化改進的修改的權利,同時產品的基本特點並不改變。
    
按用戶使用需要:
定期檢查控製箱吊裝螺絲有無鬆脫,內箱接線柱有無鬆脫,電線與電源線有無老化現象。
    定期為減速機添加潤滑油,更換機油。
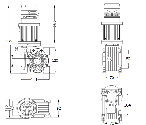
    六、產品尺寸

七.係統操作
主界麵
| (顯示) | 
| 工作模式: (模式) | 
| 運行狀態: (狀態) | 
| 信息 故障 設置 模式 | 
┆
┆
┆
┆
┆
┆
┆ (狀態):顯示當前門控係統狀態;正常、開門中、關門中、故障、急停、安全1、
┆ 安全2、互鎖、請維護。
┆ (顯示):可選擇顯示當前輸出力矩、當前開啟高度、當前開啟速度。
┆
┆------模式
┆ 按模式鍵可以修改運行模式:手動、自動、點動。
┆ 手動與點動模式下,所有外接自動設備包含,雷達,地磁等全部失效 。
┆ 所有外接安全保護設備在任何模式下,永遠有效。
┆------設置
┆ ┆ 按設置鍵後首先要輸入密碼(6668)。
| 輸入密碼 | 
| 6666 | 
| 增加 減少 確定 返回 | 
┆ ┆
┆ ┆
┆ ┆
┆ ┆
┆ ┆
┆ ┆
┆ ┆
┆ ┆
┆ ┆
┆ ┆
| 輸入密碼 | 
| 6668 | 
| 增加 減少 確定 返回 | 
┆ ┆
┆ ┆
┆ ┆
┆ ┆
┆ ┆
┆ ┆ ------1.電子行程設定
┆ ┆ 選擇電子行程設定;根據屏幕提示確定電機轉向、開門位置、關
┆ ┆ 門位置, 完成行程設定。
| 點擊開門按鈕 | 
| 轉向是否正確 | 
| 正確 錯誤 | 
┆ ┆
┆ ┆
┆ ┆
┆ ┆
┆ ┆
┆ ┆
| 開門位置設定 | 
| 確認 返回 | 
┆ ┆ 通過點動“↑”按鍵,判斷電機運轉方向是否正確。
┆ ┆
┆ ┆
┆ ┆
┆ ┆
┆ ┆
┆ ┆
| 關門位置設定 | 
| 確認 返回 | 
┆ ┆
┆ ┆ 點動“↑”按鍵到開門位置,隨後按“確認”鍵
┆ ┆
┆ ┆
┆ ┆
┆ ┆
┆ ┆
| 電子行程設定 | 
| 完成 | 
┆ ┆
┆ ┆
┆ ┆ 點動“↓”按鍵到關門位置,隨後按“確認”鍵
┆ ┆
┆ ┆
┆ ┆
┆ ┆
┆ ┆
┆ ┆
┆ ┆ 關門位置設置完成,電子行程設定便完成,門體便可正常行。
┆ ┆ 注意事項:“上”限位確認前的行程設定必須是開門動作,
┆ ┆ “下”限位確認前的行程設定必須是關門動作。
┆ ┆------2.參數設置
| 序號 | 菜單 | 內容及調試範圍 | 默認值 | 
| 1 | 開門速度 | 10-110 | 110 | 
| 2 | 關門速度 | 10-110 | 90 | 
| 3 | 開門減速區間 | 50-70 | 50 | 
| 4 | 關門減速區間 | 50-70 | 50 | 
| 5 | 自動關門延遲時間 | ●禁止自動關門 ●1-120秒 | 5 | 
| 6 | 信號輸出1設定 | ●離開關門位置 ●在關門位置 ●離開開門位置 ●在開門位置 ●開門運行中 ●關門運行中 ●在非限位位置 ●在限位位置 ●到達關門位置 ●故障報警輸出 ●禁止 | 離開關門位置(互鎖輸出) | 
| 7 | 信號輸出2設定 | 同信號輸出1設定 | 到達關門位置(聯動輸出) | 
| 8 | 部分開門高度 | 10-100% | 100 | 
| 9 | 運行顯示設定 | ●當前開啟高度 ●當前開啟速度 ●當前輸出力矩 | 當前輸出力矩 | 
| 10 | 開啟背光常亮 | ●60秒自動關閉 ●常亮 | 常亮 | 
| 11 | 自動防凍運行 | ● 關閉 ● 1~999分鍾 | 關閉 | 
------3.實時時鍾設定
可修改係統內置時鍾的年、月、日、小時、分鍾各項。
┆ ┆------4.設備高級設定
    ┆    ┆    ┆------1.聯網通信設定:可配置用於RS485通信的設備站點號和通信波特率。
┆    ┆    ┆------2.傳感器邏輯
    
    
| 序號 | 受控製 | 範圍 | 默認值 | 
| 1 | 急停輸入(12) | 常開/常閉 | 常閉 | 
| 2 | 安全信號1(15) | 常開/常閉 | 常閉 | 
| 3 | 安全信號2(16) | 常開/常閉 | 常閉 | 
| 4 | 自動完全開門(17) | 常開/常閉 | 常開 | 
| 5 | 部分開門(18) | 常開/常閉 | 常開 | 
| 6 | 單鍵循環開關(20) | 常開/常閉 | 常開 | 
| 7 | 開門限位開關(21) | 常開/常閉 | 常閉 | 
| 8 | 關門限位開關(22) | 常開/常閉 | 常閉 | 
| 9 | 互鎖輸入(23) | 常開/常閉 | 常開 | 
┆ ┆ ┆
┆ ┆ ┆
┆ ┆ ┆
┆ ┆ ┆
┆ ┆ ┆
┆ ┆ ┆
┆ ┆ ┆
┆ ┆ ┆
┆ ┆ ┆
┆ ┆ ┆
┆ ┆ ┆
輸入端口(括號內為端口號)可以根據需要進行常開/常閉狀態選擇
| 1.急停輸入(12) | 
| 2.安全信號1(15) | 
| 3.安全信號2(16) | 
| 上翻 下翻 確定 返回 | 
| 急停輸入 | 
| 常閉 | 
| 更改 保存 返回 | 
┆ ┆ ┆
┆ ┆ ┆
┆ ┆ ┆
┆ ┆ ┆
┆ ┆ ┆
┆ ┆ ┆
┆ ┆ ┆
┆ ┆ ┆------3.高級參數設定
┆ ┆ ┆首先要輸入密碼(7779)。
| 輸入密碼 | 
| 7777 | 
| 增加 減少 確定 返回 | 
| 輸入密碼 | 
| 7779 | 
| 增加 減少 確定 返回 | 
┆ ┆ ┆
┆ ┆ ┆
┆ ┆ ┆
┆ ┆ ┆
┆ ┆ ┆
┆ ┆ ┆------ 然後選擇相應的序號修改係統高級參數。
| 高級參數 | 
| 序號:01 | 
| 增加 減少 確定 返回 | 
| 高級參數 | 
| P01:0010 | 
| 增加 減少 保存 取消 | 
┆ ┆ ┆
┆ ┆ ┆
┆ ┆ ┆
┆ ┆ ┆
┆ ┆ ┆
┆ ┆ ┆
┆ ┆ ┆
┆ ┆ ┆------ 4.自動測試
| 自動測試 | 
| (顯示) | 
| 0 | 
| 啟動 停止 | 
┆ ┆
┆ ┆
┆ ┆
┆ ┆
┆ ┆
┆ ┆
┆ ┆(顯示)內容同主界麵。
┆ ┆------5.顯示語言設定
┆ ┆ 切換液晶顯示屏的顯示語言(中文/英文)。
| 顯示語言設定 | 
| 中文 | 
| 更改 保存 返回 | 
┆ ┆
┆ ┆
┆ ┆
┆ ┆
┆ ┆
┆ ┆
┆ ┆------6.恢複出廠設置
| 是否恢複出廠參數? | 
| 確定 返回 | 
┆
┆
┆
┆
┆
┆
┆
┆------信息
┆ ┆------1.輸入狀態查詢
┆ ┆ 顯示各端口的當前狀態,顯示1表示當前該端口有有效信號輸入;可用於係┆ ┆ 統的維修診斷。
┆ ┆
| 1.手動開(9) 0 | 
| 2.手動關(10) 0 | 
| 3.手動急停(11) 0 | 
| 上翻 下翻 返回 | 
┆ ┆
┆ ┆
┆ ┆
┆ ┆
┆ ┆
┆ ┆
| 序號 | 輸入端口 | 狀態 | 
| 1 | 手動開(9) | 0:無信號 1:有信號 | 
| 2 | 手動關(10) | |
| 3 | 手動急停(11) | |
| 4 | 急停輸入(12) | |
| 5 | 安全信號1(15) | |
| 6 | 安全信號2(16) | |
| 7 | 自動完全開門(17) | |
| 8 | 部分開門(18) | |
| 9 | 單鍵循環開關(20) | |
| 10 | 開門限位開關(21) | |
| 11 | 關門限位開關(22) | |
| 12 | 互鎖輸入(23) | 
    
┆ ┆
┆ ┆
┆ ┆
┆ ┆------2.總運行次數
┆ ┆ 顯示該套門控係統運行的次數。
| 總運行次數 | 
| 88次 | 
| 返回 | 
┆ ┆
┆ ┆
┆ ┆
┆ ┆
┆ ┆
┆ ┆
┆ ┆
┆ ┆
┆ ┆------3.曆史(故障查詢)
┆ ┆ 可查詢最近30次的曆史故障。
| 01. ERR23 未進行電子 | 
| 行程設定 | 
| 2015-11-17 10:25 | 
| 上翻 下翻 返回 | 
┆ ┆
┆ ┆
┆ ┆
┆ ┆
┆ ┆
┆ ┆
┆ ┆
┆ ┆
┆ ┆------4.係統查詢
用於部分係統監控數據的查詢。
┆ ┆------5.係統版本查詢
┆ ┆ 用於部分係統監控數據的查詢。
┆ ┆------6.實時時間查詢
┆ 顯示內置實時時鍾當前時間,可通過設置-實時時鍾設定修改。
| 實時時鍾顯示 | 
| 2015-11-17 | 
| 12:12:12 | 
| 返回 | 
┆
┆
┆
┆
┆
┆
┆------故障
顯示正在發生的故障,部分故障會自動複位,可在曆史故障中查詢。
| ERR 19 | 
| 外置編碼器故障 | 
| 返回 | 
八、故障代碼說明
| 故障代碼 | 故障內容 | 處理辦法 | 
| ERR01 | 係統過流 | 進行初始角度測試,測試完成後依舊報錯;請聯係廠家進行處理。 | 
| ERR03 | 係統欠壓 | 檢查現場電源電壓是否不穩定,過高或過低,若有則調節現場電源;若無問題請聯係廠家進行處理。 | 
| ERR04 | 停機時過壓 | |
| ERR05 | 運行時過壓 | |
| ERR06 | 電機堵轉 | 檢查刹車是否卡死,門體是否有卡點;若無問題請聯係廠家進行處理。 | 
| ERR07 | 超出限位位置 | 點動模式下使門體回到限位位置內即可;若在限位內仍然報錯,請聯係廠家進行處理。 | 
| ERR08 | 主板數據存儲故障 | 請聯係廠家進行處理。 | 
| ERR09 | 超速故障 | 進行初始角度測試,測試完成後依舊報錯;請聯係廠家進行處理。 | 
| ERR10 | 反轉故障 | 進行初始角度測試,測試完成後依舊報錯;請聯係廠家進行處理。 | 
| ERR11 | 係統過載 | 門體過重超出控製係統的額定功率,適當降低運行頻率或更換更大功率設備或更高倍比減速機。 | 
| ERR12 | 電流檢測回路故障 | 請聯係廠家進行處理。 | 
| ERR13 | 電機編碼器故障 | 檢查線纜是否有損壞,航空插頭是否有鬆動或生鏽;若以上情況均良好則聯係廠家進行處理。 | 
| ERR14 | 電機初始角錯誤 | 非測試狀態下報錯請聯係廠家進行處理。 | 
| ERR15 | 通信故障 | 檢查顯示屏及顯示屏連接線是否有損壞;若以上情況均良好則聯係廠家進行處理。 | 
| ERR18 | 製動回路故障 | 檢查水泥電阻是否接觸不良,線纜是否有損壞;若以上情況均良好則聯係廠家進行處理。 | 
| ERR19 | 外置編碼器故障 | 檢查線纜是否有損壞,航空插頭是否有鬆動或生鏽;若以上情況均良好則聯係廠家進行處理。 | 
| ERR20 | 運行超時 | 關機重啟後重新學習電子行程設定;若還有問題請聯係廠家進行處理。 | 
| ERR21 | 單周期內安全信號1異常 | 請檢查外接設備是否損壞,請更換或維修外接設備;若依舊報錯請聯係廠家進行處理。 | 
| ERR22 | 單周期內安全信號2異常 | 請檢查外接設備是否損壞,請更換或維修外接設備;若依舊報錯請聯係廠家進行處理。 | 
| ERR23 | 未進行電子行程設定 | 重新進行電子行程設定。 | 
| ERR24 | 24V電源短路 | 拆除所有外接設備後重啟設備,如故障消失表示外接設備有短路問題;如依舊報錯請聯係廠家進行處理。 | 
| ERR25 | 到達維護設定次數 | 聯係廠家進行維護。 | 
| ERR26 | 限位開關故障 | 檢查限位開關是否有損壞,更換限位開關,依舊報錯請聯係廠家進行處理。 | 
| ERR27 | 係統過熱 | 關閉設備散熱;降低設備使用頻率。 | 
九、接線定義表
| 端口號 | 功能 | 備注 | 
| 1 | 地線 | AC220V輸入 | 
| 2 | 火線 | |
| 3 | 零線 | |
| 4 | 製動電阻輸出+ | |
| 5 | 製動電阻輸出- | |
| 6 | 抱閘電源輸出+ | |
| 7 | 抱閘電源輸出- | |
| 8 | 公共端/電源負端 | |
| 9 | 手動開門輸入 | 常開 | 
| 10 | 手動關門輸入 | 常開 | 
| 11 | 手動急停輸入 | 常開 | 
| 12 | 急停輸入※ | 常開 | 
| 13 | DC+24V電源正端 | |
| 14 | 公共端/電源負端 | |
| 15 | 安全保護信號1輸入 | 常開(接紅外、氣囊等),急停動作 | 
| 16 | 安全保護信號2輸入 | 常開(接紅外、氣囊等),反轉開門動作 | 
| 17 | 自動完全開門信號輸入 | 常開(接雷達、地感) | 
| 18 | 部分開門信號輸入 | 常開(接雷達、地感) | 
| 19 | 公共端/電源負端 | |
| 20 | 單鍵循環開關 | 常開 | 
| 21 | 開門限位開關輸入 | 常開 | 
| 22 | 關門限位開關輸入 | 常開 | 
| 23 | 互鎖輸入 | 常開 | 
| 24 | DC+24V電源正端 | |
| 25 | 公共端/電源負端 | |
| 26 | 可編程繼電器1A輸出 | 1A-1B常開,根據信號輸出1設定動作 | 
| 27 | 可編程繼電器1B輸出 | |
| 28 | 可編程繼電器2A輸出 | 2A-2B常開,根據信號輸出2設定動作 | 
| 29 | 可編程繼電器2B輸出 | |
| 30 | RS485+ | RS485通信接口 | 
| 31 | RS485- | 
十、配線及注意事項
Ø 控製器和電機安全接地,接地線徑為3.5mm²以上銅線,接地電阻小於10Ω。
Ø 控製器出廠前已通過耐壓試驗,用戶不可再對控製器進行耐壓試驗。
Ø 控製器與電機之間不可加裝電磁接觸器和吸收電容或其它阻容吸收裝置。
Ø 安裝任何部件,都必須斷電且等線路板上的LED燈滅後再操作!切勿帶電操作!
    勿濕手操作,請戴絕緣手套操作!勿用手觸碰按鍵絕緣部分外
    十一、接線示意圖







十二、實用便捷功能
1.總運行次數記錄
記錄該設備運行的總次數。(方便客戶查看設備使用次數,使用頻率)
操作:點擊“信息”→選擇“總運行次數”
2.曆史故障查詢
自動記錄最近三十次的故障。(設備發生故障後,可以根據記 錄快速查找故障原因,便於設備維修,維護)
操作:點擊“信息”→選擇“曆史故障查詢”
3.顯示語言設定:
中/英文顯示。(文字顯示使設備更易操作,更易上手,狀態體現更更準確,更詳細,同時便於做出口外貿)
操作:點擊“設置”→輸入密碼“6668”→選擇“顯示語言設定”
4.自動防凍運行:
防止電機在超低溫的情況下被凍死。(此功能特別適用於北方極寒地區,以及冷凍庫等特殊地方,能有效防止電機與門體被凍住)
操作:點擊“設置”→輸入密碼“6668”→選擇“參數設置”→選擇“自動防凍”
5.自動測試:
開啟後設備會自動模擬開關門動作,無需手動操作(方便客戶對設備進行檢驗,測試)
操作:點擊“設置”→輸入密碼“6668”→選擇“參數設置”→選擇“設備高級設定”→選擇“自動測試”
6.無級變速:
可任意調節設備開關門運行速度,同時電機會自動生成相匹配的參數,保證設備的最佳運行效果。(門體改變大小或輕重時,可根據現場需求直接調整速度數值即可,無需其餘參數設置)
操作:點擊“設置”→輸入密碼“6668”→選擇“參數設置”→選擇“開門速度”/“關門速度”→設定開/關門速度值
7.雙編碼器:
配備外置編碼器的同時,電機本身帶一個內置編碼器,形成內外互補,大大提高門設備對於門體運行位置的把控,極大減少了跑限位情況的發生。
8.限位裝置兼容:
    感應您對深圳市香蕉视频免费看興香蕉茄子视频有限公司的信任和支持!
以”精準、創新、品牌、誠信“為經營宗旨是香蕉视频免费看興香蕉茄子视频立足長遠、著眼未來、不斷開拓創新,與大家攜手共創輝煌明天。


© 2019 深圳市香蕉视频免费看興香蕉茄子视频有限公司 版權所有 粵ICP備75899387號
